产品分类:产品种类 发布时间:2023年02月24日 15:40:46
24小时咨询热线:
基尔智能型数字压力控制器温度控制器
FI-TS系列全智能温度开关/温度变送器
全智能压力开关简述
G&L温度仪器仪表硬件均采用了广泛应用于航空、汽车、军工等高科技领域的精密电子元器件,超强抗干扰和可靠稳定的专利集成电路设计,操作简便、仪表界面丰富的软件系统,使检测信号更加精准和稳定,目前旗下产品已广泛应用于冶金、电力、制药、化工、石油、水质处理、食品等行业.


全智能温控开关技术数据



在上述尺寸图中,
L长度由您所选购的产品的型号而定,共有5种(即:15mm、20mm、30mm、45mm、60mm)
全智能温控开关接线图

尊敬的用户,以上接线图为常用接线,详细内容请参考随货附带的说明书;HN-TWQ全智能温度开关最多可实现2路开关量加1路模拟量输出。


AI-D系列全智能压力开关/压力传感器
全智能压力开关简述
G&L压力仪器仪表硬件均采用了广泛应用于航空、汽车、军工等高科技领域的精密电子元器件,超强抗干扰和可靠稳定的专利集成电路设计,操作简便、仪表界面丰富的软件系统,使检测信号更加精准和稳定,目前旗下产品已广泛应用于冶金、电力、制药、化工、石油、水质处理、食品等行业.


全智能压力开关技术数据


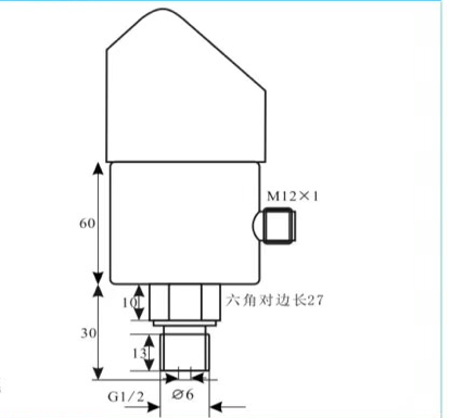
全智能压力开关尺寸图


全智能压力开关接线图









微信在线咨询